MARCHESINI Zawór nadmiarowy z podwójną linią krzyżową 1/2'' BSP (70 L/min Natężenie Przepływu) S.167157
Opis
MARCHESINI Zawór nadmiarowy z podwójną linią krzyżową 1/2'' BSP (70 L/min Natężenie Przepływu) MARCHESINI S.167157
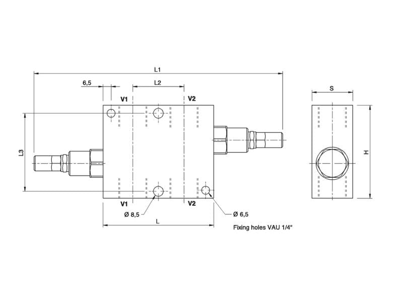
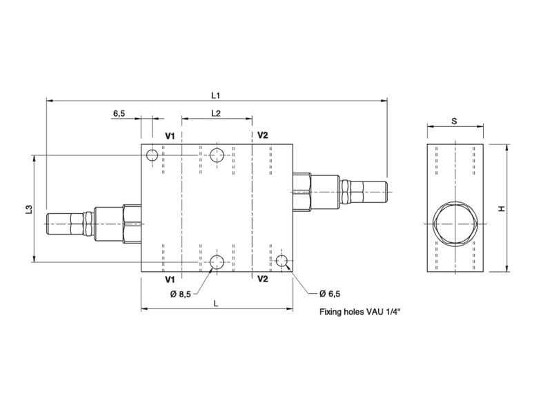
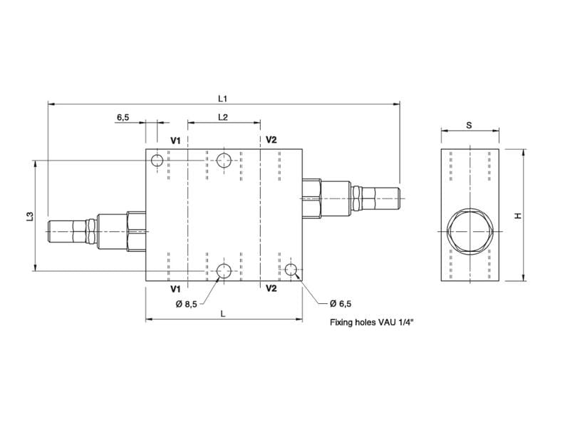
- H (mm)70
- L (mm)80
- L1 (mm)200
- L2 (mm)38
- L3 (mm)54
- Maksymalne ciśnienie robocze350
- Maksymalne natężenie przepływu l/m70
- OdniesienieV0450/180
- ProducentMARCHESINI
- S (mm)30
- Spring Setting Bar90
- Tariff Code8481201090
- Typ gwintuBSP
- TypVAU
- Valve Spring Setting Range bar10-180
- Wielkość gwintu1/2

